高压脉冲电源和高压功率放大器有什么区别?
高压脉冲源和高压功率放大器在我们的实际测试中都会用的到,因为高压功率放大器也可以被叫做双极性四象限电源,所以两个听起来很像,但实际上二者区别还是很大的,那高压脉冲源和高压功率放大器到底有哪些不同呢?今天就带大家一探究竟~首先来明确一下二者的定义
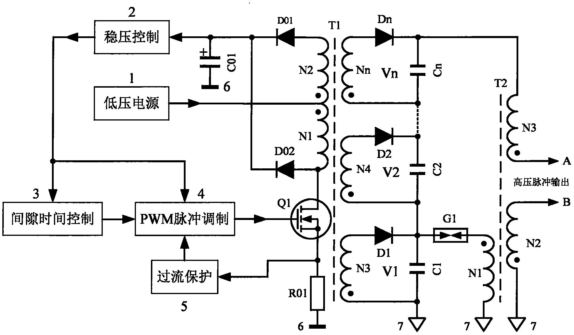
高压脉冲电源
高压脉冲电源是高压电源的一种,是在高压直流电源的基础上增加了脉冲电路,从而输出脉冲幅度可调、脉冲宽度可调、脉冲频率可调、脉冲输出个数可设定的一种特殊的高压直流电源。

高压功率放大器
高压功率放大器是一种高电压幅度输出的信号放大器,幅度一般可达数千伏以上,带宽可达(-3db)dc~3mhz,上升数率可达≥426v/μs,谐波失真度≤0.1%@1khz,100vp-p,是双极性四象限放大器。
高压脉冲电源和高压功率放大器的区别:
高压脉冲电压源是参数范围和波形(脉冲波)固定的电源,能直接发生高电压、高电流、大功率的脉冲信号。
而高压功率放大器是内部具有电压放大电路、将任意波形的外部模拟信号(如信号发生器发出的模拟信号)进行放大、输出的放大器。

高压脉冲电压源的优点:
1、系统构建简单,电压供给系统只需要一个电压源即可。
2、功率输出大,能同时具有高电压、高电流输出,能提供较大功率。
3、在输出信号达千伏级别的时候,其压摆率可达到千伏/微秒级。(而功率放大器的压摆率目前仍在百伏/微秒级)
4、部分型号仪器严格按照国家安规生产设计,满足特殊行业电气设备安全专用要求, (tp 3200满足《gb 9706.4-2009》,可用于人体治疗。配合做成纳米刀细胞消融,用来治疗早期癌细胞。 )

高压功率放大器的优点:
1、高压功率放大器的输出波形多样,可根据信号发生器输入的信号输出高压的各种波形信号。
2、适配性高,不管是高校、研究所还是实验室,一般都会有信号发生器,可直接用功率放大器构建系统。
3、高压脉冲电源的工作频率、最大输出电压、价格是相互矛盾的,简单来说,电压和价格和高压功率放大器相近的条件下,其工作带宽,比高压功率放大器低;工作带宽和最大输出电压和高压功率放大器相近的条件下,价格比高压功率放大器高。
ata-4011b高压功率放大器

ata-4011b高压功率放大器 是一款理想的可放大交、直流信号的单通道高压功率放大器。最大输出 160vp-p(±80vp)电压,112.8wp 功率,可以驱动高压功率型负载。电压增益数控可调,一键保存常用设置,可与主流的信号发生器配套使用,实现信号放大,电源兼容ac110~240v全球电压。
最大输出电压 160vp-p(±80vp)
最大输出电流 1.41ap
带宽(-3db)dc~1.2mhz
压摆率≥426v/μs
直流偏置电压±75v
工作电压 ac110v~240v,50/60hz

以上就是本次分享的全部内容,想要了解更多关于高压功率放大器,或是高压功率放大器的相关应用案例的工程师欢迎继续关注pa亚洲游戏国际平台。
西安安泰电子是专业从事功率放大器、高压放大器、功率信号源、前置微小信号放大器、高精度电压源、高精度电流源等电子测量仪器研发、生产和销售的高科技企业,为用户提供具有竞争力的测试方案。aigtek已经成为在业界拥有广泛产品线,且具有相当规模的仪器设备供应商,样机都支持免费试用。如想了解更多功率放大器等产品,请持续关注安泰电子pa亚洲游戏国际平台官网www.aigtek.com或拨打029-88865020。
原文链接:https://www.aigtek.com/news/1493.html























